Measured Survey

Reliable Measured Survey Data for Effective Interiors and Layouts

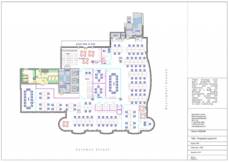
A measured building survey provides a detailed digital representation of your building, supporting architects and designers in developing accurate design proposals. The measured survey is created by taking precise on-site measurements, which are then used to produce detailed CAD drawings. These surveys can range from basic layouts showing walls, doors, windows, and level changes, to more comprehensive surveys that include electrical layouts, plumbing, and other detailed information.

Before starting any construction or refurbishment project, carrying out a thorough measured survey is essential. It ensures accurate data is captured and presented through floor plans, elevations, and sectional drawings, forming the foundation of all design and planning work.

If you need your office space professionally measured, please get in touch with us and we’ll be happy to help.

Measured Survey

For a FREE guidance and a quick assessment